9급 국가직 공무원 토목설계 (2018년04월07일 기출문제)
1과목 : 과목 구분 없음
1번
배합설계 과정에서 단위수량 180kg, 단위시멘트량 315kg, 공기량 5%가 결정되었다면 골재의 절대용적[ℓ]은? (단, 시멘트 밀도는 0.00315g/㎣이고, 혼화재는 사용하지 않는다)
2번
폭 b=300 mm, 유효깊이 d=500 mm인 단철근 직사각형 철근 콘크리트 보의 단면이 균형변형률 상태에 있을 때, 압축연단에서 중립축까지의 거리 c[mm]는? (단, 콘크리트의 설계기준압축강도 fck=24MPa, 철근의 설계기준항복강도 fy=400MPa이며, 설계코드(KDS: 2016)와 2012년도 콘크리트구조기준을 적용한다)
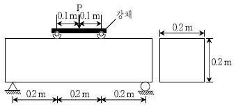
3번
그림과 같이 긴장재를 포물선 모양으로 배치한 PSC 단순보의 하중평형 개념에 의한 부재 중앙에서 휨모멘트[kNㆍm]는? (단, 자중을 포함한 등분포하중 w=10 kN/m이며, 손실이 모두 발생한 후의 긴장력은 1,200 kN이다)

4번
중심축하중을 받는 길이 L =10 m, 직사각형 단면의 크기 0.1m × 0.12 m이고 양단 힌지인 기둥의 좌굴 임계하중 Pcr[kN]은? (단, π=3으로 계산하며 기둥의 탄성계수 E =20 GPa이고, 기둥 내의 응력이 비례한도 이하이다)
5번
기초판의 최대 계수휨모멘트를 계산할 때, 그 위험단면에 대한 설명으로 옳지 않은 것은? (단, 설계코드(KDS: 2016)와 2012년도 콘크리트구조기준을 적용한다)
6번
직접설계법에 의한 2방향슬래브의 내부 경간 설계에서 전체 정적계수모멘트(M0)가 300 kNㆍm일 때, 부계수휨모멘트[kNㆍm는? (단, 설계코드(KDS: 2016)와 2012년도 콘크리트구조기준을 적용한다)
7번
다음과 같은 수직 전단철근배치 범위에 대한 그래프에서 전단철근량 Av 및 전단철근 전단강도 Vs의 한계치를 옳게 표시한 것은? (단, Av: 전단철근의 단면적, Vs: 전단철근에 의한 단면의 공칭 전단강도, Vc: 콘크리트에 의한 단면의 공칭전단강도, Vu: 단면에서의 계수전단력, fck: 콘크리트의 설계기준압축강도, fyt: 전단 철근의 설계기준항복강도, bω: 복부의 폭, d: 단면의 유효깊이, s: 전단철근의 간격, ø : 전단에 대한 강도감소계수, 설계코드 (KDS: 2016)와 2012년도 콘크리트구조기준을 적용한다)

8번
그림과 같이 장방형 무근 콘크리트보에서 3등분점 하중법(KS F2408)에 의해서 보가 파괴될 때까지 시험을 실시하였다. 하중 P가 100 kN에서 시편의 지간 중앙이 파괴되었을 때의 최대인장응력 [MPa]은? (단, 거동이 탄성적이고 휨응력이 단면의 중립축에서 직선으로 분포한다고 가정한다)

9번
그림과 같은 복철근 직사각형 보에서 인장철근과 압축철근이 모두 항복할 때, 등가직사각형 응력블록의 깊이 a[mm]는? (단, 인장 철근량 As=4,050mm2, 압축철근량 A′s=1,500mm2, 콘크리트의설계기준압축강도 fck=30MPa, 철근의 설계기준항복강도 fy=300MPa이고, 설계코드(KDS: 2016)와 2012년도 콘크리트 구조기준을 적용한다)

10번
축방향 인장을 받는 부재 및 이음재의 설계에 대한 설명으로 옳지 않은 것은? (단, 설계코드(KDS: 2016)와 도로교설계기준(한계상태설계법) 2015를 적용한다)
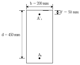
11번
압축연단에서 압축철근까지의 거리 d'=50mm, 중립축까지의 거리 c=150mm인 복철근 철근콘크리트 직사각형보의 휨파괴 시 압축철근 변형률은? (단, 압축철근은 1단 배근되어 있고, 파괴 시 압축연단 콘크리트의 변형률은 0.003이고, 설계코드(KDS: 2016)와 2012년도 콘크리트구조기준을 적용한다)
12번
H형강을 사용하여 길이가 4m이고 양단이 고정인 기둥을 설계할 때, 유효좌굴길이에 대한 세장비(λ)는? (단, H형강의 단면적은 1×103mm2이고, 강축의 단면2차모멘트는 1×107mm4, 약축의 단면2차모멘트는 6.4×106mm4이다)
13번
철근의 이음에 대한 설명으로 옳지 않은 것은? (단, 설계코드 (KDS: 2016)와 2012년도 콘크리트구조기준을 적용한다)
14번
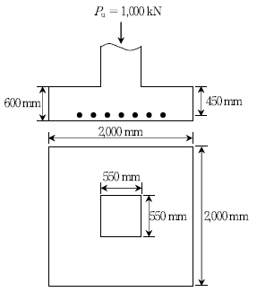
그림과 같은 2방향 확대기초에서 계수하중 Pu=1,000 kN이 작용할 때, 위험단면에 작용하는 계수전단력 Vu[kN]는? (단, 설계코드 (KDS: 2016)와 2012년도 콘크리트구조기준을 적용한다)

15번
보의 경간이 8m인 단순보에 등분포활하중이 20 kN/m, 자중을 포함한 등분포고정하중이 8 kN/m가 작용할 때, 휨부재를 설계하는 경우의 계수휨모멘트[kNㆍm]는? (단, KDS 24 12 11: 2016의 극한한계상태 하중조합 Ⅰ에 따라 활하중계수는 1.8, 고정하중계수는 1.25를 적용한다)
16번
그림과 같이 철근콘크리트 깊은 보를 스터럿-타이 모델에 의하여 설계할 때, 타이 BC에 필요한 휨 인장 철근면적[mm2]은? (단, 철근의 설계기준항복강도 fy=400MPa이고, 설계코드(KDS:2016)와 2012년도 콘크리트구조기준을 적용한다)

17번
양단 정착하는 PSC 포스트텐션 부재에서 일단 정착부 활동이 4mm 발생하였을 때, PS강재와 쉬스의 마찰이 없는 경우에 정착부 활동에 의한 프리스트레스 손실량[MPa]은? (단, PS강재의 길이 20m, 초기 프리스트레스 fi=1,200MPa, PS 강재 탄성계수 Eps=200GPa, 콘크리트 탄성계수 Ec=28GPa이다)
18번
연석간의 교폭이 9m, 발주자에 의해 정해진 계획차로의 폭이 9m일 때, 차량활하중의 재하를 위한 재하차로의 수 N은? (단, 설계코드 (KDS: 2016)와 도로교설계기준(한계상태설계법) 2015를 적용한다)
19번
그림과 같이 폭 0.36m, 높이 1 m인 직사각형 단면에 정모멘트가 3,000 kNㆍm, 긴장력이 3,600 kN이 작용하고 있다. 긴장재의 편심거리가 0.3m일 때, 응력개념에 의한 부재 상단응력의 크기 [MPa]는? (단, 구조물의 거동은 선형탄성으로 가정한다)

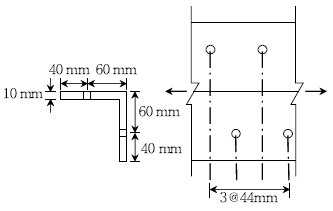
20번
그림과 같은 인장재 L형강의 순단면적[mm2]은? (단, 구멍의 직경은 25mm이고, 설계코드(KDS: 2016)와 도로교설계기준 (한계상태설계법) 2015를 적용한다)
